Kłódka GROM (KT11)

Opis:

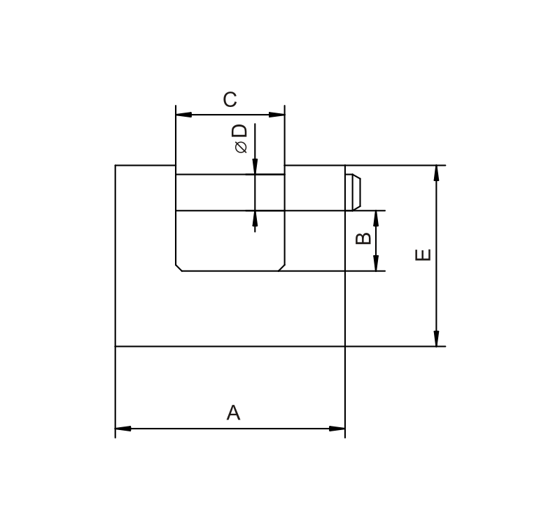
Kod kłódk      i              Wymiary  (mm)         
ABCDE
GROM
(KT11)
8316261272

Posiada Certyfikat Natowskiego Kodu Podmiotu Gospodarki Narodowej o numerze 2399H. Przygotowana specjalnie pod kątem wymogów dot. zabezpieczeń obiektów wojskowych. Kłódka, która charakteryzuje się następującymi cechami:

1) Posiadają najwyższe właściwości zabezpieczeniowe i antykorozyjne potwierdzone certyfikatem wydanym przez Instytut Mechaniki Precyzyjnej w Warszawie:
- klasa Zabezpieczenia 5;
- klasa Odporności na korozję 4.

2) Posiadają 3 klucze w komplecie do kłódki, wykonane na profilu zastrzeżonym w Urzędzie Patentowym Rzeczypospolitej Polskiej (faktyczna i prawna ochrona kluczy przed nieautoryzowanym dorabianiem).

3) Dostępne są w krótkich terminach realizacji jako kłódki na osobne zestawy kluczy, kłódki w układzie jednego klucza jak i kłódki w systemach Master Key (jesteśmy producentem).

4) Posiadają atrakcyjną cenę (produkt polski).

Producenci: