Skonktaktuj się z nami:
91 488 66 46
biuro@zbytex2.pl
O firmie
Oferta handlowa
Wkładki
LOB S.A.
Yeti
Yale
Samozamykacze
Geze
Grom
Dorma
Assa Abloy
Kłódki
Atestowane
Kłódki pałąkowe
Trzpieniowe
Zamki
Meblowe i kasetowe
Wąskie do PCV, aluminium
Wierzchnie drzwiowe
Wpuszczane drzwiowe
Klamki
Alu System
Klamki stal nierdzewna
Osłony wkladki
REMOR
Nowości
Nowość w szerokiej ofercie LOB
Nowe produkty LOB
Zawiasy
Do aluminium
Drzwiowe
Meblowe
Galanteria drzwiowa
Rygle drzwiowe
Wieszaki
Zaczepy drzwiowe
Zasuwy
Zderzaki drzwiowe
Pochwyty nierdzewne, aluminiowe, mosiężne
Uchwyty aluminiowe dwustronne
Uchwyty aluminiowe jednostronne
Uchwyty drzwiowe nierdzewne
Uchwyty poręczy
Systemy klucza Master Key
Produkty
Materiały do pobrania
Wybrane realizacje
Referencje
Plan klucza
Okucia okienne
Klamki okienne
Produkty Remor
Zamki drzwiowe wpuszczane
Zestawy klamek do zamka
Galanteria do drzwi
Galanteria do mebli
Dorabianie kluczy
Informacje
Pomiar i dobór zamknięć
Certyfikaty produktowe
Materiały reklamowe
System klucza
System Master Key
Plan klucza
Kontakt
Hurtownia okuć budowlanych i wyposażenia wnętrz
/
Oferta handlowa
/
Kłódki
/
Kłódki pałąkowe
Oferta handlowa
Wkładki
LOB S.A.
Atestowane B,C
Bębenkowe
Z gałką
Komplet wkładek na 1 klucz (WKŁADKI)
Yeti
Bębenkowe
Yale
Samozamykacze
Geze
Samozamykacz TS 1000
Samozamykacz TS 1000 srebrny, brązowy, biały z blokadą
Samozamykacz TS 1500 srebrny, biały, brązowy
Samozamykacz TS 1500 srebrny, biały, brązowy z blokadą
Samozamykacz TS 2000 srebrny, biały, brązowy
Samozamykacz TS 2000 srebrny, biały, brązowy z blokadą
Samozamykacz TS 4000 srebrny, biały, brązowy
Samozamykacz TS 4000 srebrny, biały, brązowy z blokadą
Samozamykacz TS 5000 z szyną ślizgową
Grom
Samozamykacz GROM GR 101-3 z ramieniem srebrny, brązowy
Samozamykacz GROM GR 200 z ramieniem srebrny, biały, brązowy
Dorma
Samozamykacz dorma ts-68 z ramieniem
Samozamykacz Dorma TS-68 z ramieniem biały z blokadą
Samozamykacz Dorma TS-83 z ramieniem brązowy
Samozamykacz Dorma TS-83 z ramieniem srebrny
Samozamykacz Dorma TS-92 brązowy
Samozamykacz Dorma TS-92 srebrny
Samozamykacz Dorma TS-91 biały
Samozamykacz Dorma TS-91 srebrny
Samozamykacz Dorma TS-92 biały
Samozamykacz Dorma TS-91 z szyną
Samozamykacz Dorma TS-68 z ramieniem brązowy z blokadą
Samozamykacz Dorma TS-68 z ramieniem srebrny z blokadą
Samozamykacz Dorma TS-90 z szyną ślizgową brązowy
Samozamykacz Dorma TS-90 z szyną ślizgową biały
Samozamykacz Dorma TS-90 z szyną ślizgową srebrny
Assa Abloy
Samozamykacz Assa-Abloy DC140 z ramieniem srebrny
Samozamykacz Assa-Abloy DC120 z pokrywką z ramieniem z blokadą,
Samozamykacz Assa-Abloy DC300 bez ramienia,
Samozamykacz Assa-Abloy Yale MP522 z ramieniem standardowym,
Kłódki
Atestowane
Kłódka bęb, GRANIT-1 atest "C"
Kłódka GRANIT1 z wydłużonym pałąkiem (KWG11)
Kłódka GRANIT2, z chronionym pałąkiem (KWG2)
Kłódka bęb, IRYD atest B (KT01) trzpieniowa
Kłódka mosiężna, nierdzewna (KMM5W)
Kłódka trzpieniowa TANTAL (KT10)
Kłódka GROM (KT11)
Kłódki pałąkowe
Kłódka żeliwna, zatrzaskowa (KSS20/25/30/40/50/60/75)
Kłódka żeliwna (KS40/50/60)
Kłódka żeliwna z wydłużonym pałąkiem (KS51/52/53)
Kłódka bęb, zasuw, znalowa KZ 30
Kłódka znalowa KZ30 - mix kolorów (KZ30 mix kolorów)
Kłódka znalowa (KZ50/60)
Kłódka mosiężna, zatrzaskowa (KD20/25/30)
Kłódka mosiężna, zatrzaskowa (KD40/50/60)
Kłódka mosiężna (KM40/50/60)
Kłódka wzmocniona (KW01)
Kłódka wzmocniona z chronionym pałąkiem (KW02)
Kłódka mosiężna, satynowa (KMD30/40/50/60)
Kłódka mosiężna, satynowa, wydłużony pałąk (KMD41)
Kłódka mosiężna, trzpieniowa, satynowa (KTD40/50/60)
Kłódka lamelowa w pancerzu (KML6002)
Kłódka znalowa, laminowana ABS (KZ40/50 YABS)
Kłódka lamelowa z osłoną PCV, wydłużony pałąk (KL40/41YPCV)
Kłódka znalowa, trzpieniowa, laminowana PCV (KTZ75YPCV)
Kłódka okrągła bębenkowa (KF70Y)
Kłódka okrągła szyfrowa lakier. mix-kolor (KOSY)
Kłódka walcowa szyfrowa lakier. mix-kolor (KWSY)
Kłódka żeliwna, trzpieniowa, satynowa (KTS70/90Y)
Kłódka żeliwna zatrzaskowa (KSV)
Trzpieniowe
Kłódka trzpieniowa 75mm (KT02)
Kłódka trzpieniowa 90mm (KT05)
Kłódka trzpieniowa znalowa IRYD STEEL (KT01)
Kłódka trzpieniowa znalowa TANTAL STEEL (KT10)
Kłódka GROM (KT11)
Kłódka mosiężna, trzpieniowa, satynowa (KTD40/50/60)
Kłódka znalowa, trzpieniowa, laminowana PCV (KTZ75YPCV)
Kłódka żeliwna, trzpieniowa, satynowa (KTS70/90Y)
Zamki
Meblowe i kasetowe
Zamek ryglowy 163-151
Zamek ryglowy 163-022
Wąskie do PCV, aluminium
LOB S.A.
REMOR
Wierzchnie drzwiowe
Zamek wierzchni bęb, TB51
Zamek wierzchni bęb, TB52
Zamek wierzchni bęb, TB61
Zamek wierzchni bęb, TB62
Zamek wierzchni TZ 51
Wpuszczane drzwiowe
LOB S.A.
REMOR
Klamki
Alu System
Klamka drzw, ASK 2 anoda perłowa. biały, brąz, jasny brąz, czarny, srebrny, surowa
Klamka drzw, ASK 3 anoda perłowa. biały, brąz, jasny brąz, czarny, srebrny, surowa
Klamko uchwyt ASK 3 anoda perłowa. biały, brąz, jasny brąz, czarny, srebrny, surowa
Klamki stal nierdzewna
OSŁONA WKŁADKI ASK4 NIERDZEWNA
KLAM,DRZW,_AS-K4__NIERDZEWNA
KLAMKO-GAŁKA_AS-K4__NIERDZEWNA
Osłony wkladki
Komplet szyldów wkładki zamka antywłamaniowe
Komplet szyldów wkładki zamka przyklejane
OSŁONA WKŁADKI AS-K1 ANODA-PERŁOWA, BIAŁY, BRĄZOWY, BRĄZOWY-MAT, CZARNY, JASNYBRĄZ, SREBRNY, SUROWA
OSŁONA WKŁADKI AS-K2 ANODA-PERŁOWA, BIAŁY, BRĄZOWY, JASNY BRĄZ, CZARNY, SREBRNY, SUROWA
Zestaw osłona 164 - 105 Cr
Zestaw osłona 164 - 082 mosiądz
Zestaw osłona pod klucz mosiądz
REMOR
Zestaw klamek 164-066 ze wspomaganiem do drzwi zewnętrznych
Zestaw klamek z osłonami 164-105 cr
Zestaw klamek 164-082 ze wspomaganiem do zamka sanitarnego
Zestaw klamka - uchwyt z osłonami 098-6 cr
Zestaw osłon do zamka 098 cr
Zestaw gałko - klamka do zamka 098 cr
Zestaw klamek z osłonami 164-105 Mosiądz
Zestaw klamek i szyldów do zamka 164-098 Cr
Zestaw klamek i szyldów do zamka 043 Mos
Nowości
Nowość w szerokiej ofercie LOB
Samozamykacz S2000
Nowe produkty LOB
Zawiasy
Do aluminium
Zawias do drzwi WX 2-skrzydełkowy niesymetryczny
Zawias do drzwi WX 3-skrzydełkowy niesymetryczny
Drzwiowe
Zawiasa drzw, 165-025 Cr, lewa
Zawiasa drzw, 165-025 mos, prawa
Zawiasa drzw, 165-025 Cr, prawa
Zawiasa drzw, 165-025 mos, lewa
Zawiasa ciężka 165-020 Mosiądz
Zawiasa ciężka 165-021 Mosiądz
Zawiasa drzwiowa zdejmowana 165-023 Cr
Meblowe
Zawiasa drzw, 162-063 zawiasa M50 chrom
Zawiasa drzw,162-063 zawiasa M25 mos
Zawiasa drzw,162-063 zawiasa M50 mos
Galanteria drzwiowa
Rygle drzwiowe
Rygiel nawierzchniowy
Rygiel WPUSZCZANY
Rygiel WRĘBOWY
RYGIEL ZACZEP DÓŁ*
RYGIEL ZACZEP GÓRA
RYGIEL-NAW, POJED, CZARNY*
RYGIEL-NAW, POJED, SREBRNY*
RYGIEL-NAW, POJED,DŁUGI TRZ, CZARNY*
RYGIEL-NAW, POJED, DŁUGI TRZ, SREBRNY*
RYGIEL-NAW, POJED, FREZ, SPECTRAL CZARNY*
RYGIEL-NAW, POJED, FREZ, SPECTRAL SREBRNY*
Wieszaki
Wieszak dlugi 162-085 mos
Wieszak dlugi 162-095 cr
Wieszak dlugi 162-048 cr
Wieszak dlugi 162-012 mos
Wieszak 086 mosiądz
Wieszak 086 Cr
Wieszak krótki 162-013 Cr
Zaczepy drzwiowe
Zaczep do drzwi 165-006 cr
Zaczep do drzwi długi 165-007 mos
Zaczep do drzwi dlugi 165-007 cr
Zaczep do drzwi 165-006 mos
Zasuwy
Zasuwka rewolwerowa I C 162-006 mos
Zasuwka rewolwerowa II C 162-006 mos
Zasuwa drzwiowa czolowa I A 165-001 mos
Zasuwa drzwiowa czolowa II A 165-001 cr
Zasuwa drzwiowa czolowa I A 165-001
Haczyk drzwiowy zaporowy 165-004
Zasuwka rewolwerowa I C 162-006 cr
Zasuwka rewolwerowa II C 162-006 cr
Zatrzask dwukulkowy 163-013
Zasuwa drzwiowa czolowa II A 165-001 mos
Zderzaki drzwiowe
Zderzak zapadkowy 165-008 mos
Odbijacz drzwiowy 165-018 cr
Odbijacz 165-018 mos
Zderzak zapadkowy 165-008 cr
Pochwyty nierdzewne, aluminiowe, mosiężne
Uchwyty aluminiowe dwustronne
POCHWYT-AL, 2STR,FI30 3010-2 ANODA, ANODA-PERŁOWA, JASNY BRĄZ
Uchwyt rurowy aluminiowy M1 biały, czarny, brązowy, stal nierdzewna polerowana
Uchwyt rurowy aluminiowy M2 biały, brązowy, czarny, stal nierdzewna polerowana
Uchwyt rurowy aluminiowy M5 biały, czarny, brązowy, stal nierdzewna polerowana
POCHWYT-AL, 2STR,FI30 3010-2 BIAŁY, BIAŁY MAT, BRĄZOWY, CZARNY, KREMOWY, SREBRNY, SUROWA
POCHWYT-AL, 2STR,FI30 4010-2 ANODA, ANODA PERŁOWA, BIAŁY, JASNY BRĄZ, CZARNY, SREBRNY, SUROWA
POCHWYT-AL, 2STR,FI30 6010-2 ANODA, BIAŁY, BRĄZOWY, JASNO BRĄZOWY, CZARNY, SUROWA
POCHWYT-AL, 2STR,FI30 7010-2 ANODA, BIAŁY, BRĄZOWY, JASNO BRĄZOWY, CZARNY, SUROWA
Uchwyty aluminiowe jednostronne
Uchwyt drzwiowy L-200, 161-081 satyna
Uchwyt drzwiowy L-200, 161-081 cr
Uchwyt drzwiowy L-200, 161-081 mos
Uchwyt drzwiowy alu 161-081 malowany L-200 czarny
Uchwyt drzwiowy alu 161-081 malowany L-200 brązowy
Uchwyt drzwiowy alu 161-081 malowany L-200 biały
Uchwyty drzwiowe nierdzewne
POCHWYT-NIERDZEWNY-600MM,PI _2-STR,FI 32_8010- KPL
POCHWYT ze stali nierdzewnej P10B
POCHWYT ze stali nierdzewnej P45D
POCHWYT jednostronny ze stali nierdzewnej P45
POCHWYT-NIERDZEWNY, <>_2-STR,FI 30_4010- KPL
POCHWYT-NIERDZEWNY, II_2-STR,FI 30_7010- KPL
POCHWYT-NIERDZEWNY,( ) _2-STR,FI 30_6010- KPL
POCHWYT-NIERDZEWNY,[ ] _2-STR,FI 30_3010- KPL
POCHWYT-NIERDZEWNY-600MM,[ ]_2-STR,FI 30_3011- KPL
Uchwyty poręczy
Uchwyt poręczy 161-022 mosiądz
Uchwyt poręczy 161-022 Ni,Cr
Uchwyt poręczy chrom-kątowy
Systemy klucza Master Key
Produkty
LOB CES
LOB PRO
LOB Security Box
Materiały do pobrania
Wybrane realizacje
Referencje
Plan klucza
Okucia okienne
Klamki okienne
KLAMKA OKIENNA Elipse lub Owal ALU
KLAMKA OKIENNA Elipse lub Owal ALU z kluczykiem
KLAMKA OKIENNA Elipse lub Owal PCV
Produkty Remor
Zamki drzwiowe wpuszczane
Zamek sanitarny wpuszczany 164-020
Zamek 164-018 70/50 niklowany bez osprzętu
Zamek drzwiowy wpuszczany z zapadką dzieloną 164-090
Zamek drzwiowy wpuszczany z zapadką pełną 164-090
Zamek drzwiowy sanitarny z zapadką pełną 164-091
Zamek wpuszczany do zamknięć ogniotrwałych 164-078
Zamek potrójnego działania, przetłoczony szyld 164-078
Zamek do drzwi wewnętrznych 164-083
Zestawy klamek do zamka
Zestaw klamek 164-018
Zestaw klamek do zamka sanitarnego 164-020
Galanteria do drzwi
Galanteria do mebli
Dorabianie kluczy
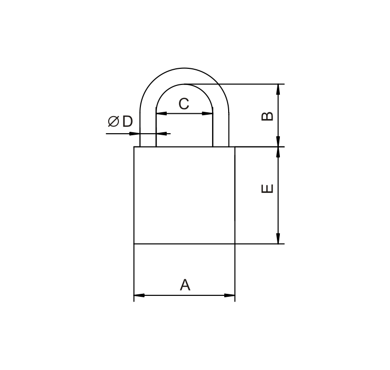
Kłódka mosiężna (KM40/50/60)
Opis:
Kod kłódki
Wymiary (mm)
A
B
C
D
E
KM40
40
22
21
7
35
KM50
50
31
28
8
35
KM60
64
34,5
37
9
39
Producenci:
Hurtownia okuć budowlanych i wyposażenia wnętrz
O firmie
Oferta handlowa
Informacje
System klucza
Kontakt
Copyright © 2026 Zbytex2. Wszelkie prawa zastrzeżone.
Scroll