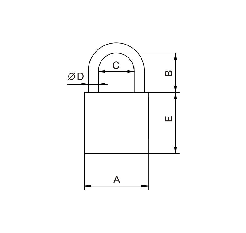
| Kod kłódk i | Wymiary (mm) | ||||
| A | B | C | D | E | |
| KD20 | 20 | 11 | 10,5 | 3 | 16 |
| KD25 | 25 | 16 | 13,5 | 3,5 | 16 |
| KD30 | 30 | 18 | 16,5 | 4,5 | 18 |
Wykonanie korpusu kłódki z mosiądzu, wraz z zastosowaniem tego materiału w elementach konstrukcji mechanizmu bębęnka - sprężynek, kołeczków, daje gwarancję zwiększonej w stosunku do stali lub żeliwa żywotności kłódki wystawionej na działanie warunków atmosferycznych.
Kłódki z rodziny KD są kłódkami zatrzaskowymi - pozwalającymi na zamknięcie kłódki po wyjęciu klucza. Ta cecha odróżnia je od innych dostępnych w naszej ofercie kłódek mosiężnych KM, które są kłódkami zasuwkowymi.
















