Pomiar i dobór zamknięć

Jak określić jakie zamknięcie powinno być zastosowane w danych drzwiach?

W zdecydowanej większości przypadku wystarczy zmierzyć zamknięcie lub zamek/wkładkę/kłódkę, które są w danych drzwiach zamontowane. Poniżej informacja na temat jak w danych grupach produktowych określić wymiar i rodzaj zamknięcia.

Wkładki bębenkowe

Wymiar wkładki składa się z 2 elementów składowych, np. 30/30. Oznacza to, że od czoła wkładki do środka otworu na wkręt mocujący jest 30mm i od środka otworu na wkręt mocujący do drugiego czoła jest również 30mm. Wymiary wkładek rozpoczynają się od wymiaru 30mm i rosną co 5mm w górę. Sposób wymiarowania przedstawia rysunek obok (rys.1). Ważne z tytułu bezpieczeństwa jest aby wkładka nie wystawała poza szyld więcej niż 3mm. Jeśli wkładka ma posiadać gałkę to należy również określić przy którym wymiarze ta gałka ma się znajdować, np. poprzez postawienie literki 'G' przy danym wymiarze - wkładka G30/35 (gałka przy wymiarze 30).

Montaż wkładki odbywa się poprzez wykręcenie wkrętu mocującego, wyjęcie starej wkładki, włożenie nowej i przykręcenie wkrętu mocującego. Do montażu i demontażu wkładki konieczne jest posiadanie klucza do danej wkładki ze względu na przesunięcie suwaka (rys.2). Standardowo suwak ustawiony jest na godzinę 7 i uniemożliwia montaż i demontaż wkładki bez użycie klucza.

W ofercie LOB znajdują się różne platformy wkładek. Do systemów Master Key dedykowane są wkładki: Comfort, Comfort Plus i Dragon. Produkowane przez nas wkładki bębenkowe posiadają stosowne badania i certyfikaty wydane przez Instytut Mechaniki Precyzyjnej oraz Instytut Techniki Budowlanej. LOB w swojej ofercie posiada specjalny przyrząd do pomiaru długości wkładek drzwiowych (rys. 3).

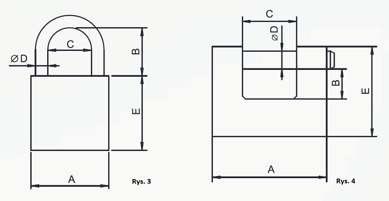
Kłódki

Najważniejszymi wymiarami w kłódce są wielkość korpusa, grubość pałąka i prześwit pomiędzy korpusem, a pałąkiem. Poniżej dwa rysunki poglądowe (rys.4 i rys.5) dwóch rodzajów kłódek.

Dobierając kłódkę należy również zwrócić uwagę na warunki w jakich będzie pracować. LOB w swojej ofercie posiada kłódki dostosowane do pracy w zmiennych warunkach atmosferycznych. Kłódki te posiadają uszczelki w odpowiednich miejscach zapobiegające dostawaniu się wilgoci do mechanizmu.

LOB posiada również kłódki antywłamaniowe, których klasy zabezpieczenia potwierdzone są stosownymi certyfikatami Instytutu Mechaniki Precyzyjnej w Warszawie. Przy wybieraniu takiej kłódki należy zwrócić też uwagę na miejsce, w których będzie zamontowana. Jeśli brama lub uchwyty będą za słabe to potencjalny włamywacz zerwie je razem z kłódką. Dlatego do kłódki antywłamaniowej zalecamy stosowanie wrzeciądzy (osłon), które w skuteczny sposób utrudniają dostęp do pałąka (Rys.3). Takie zabezpieczenie doskonale zabezpiecza nasz majątek przed włamaniem.

Zamki wierzchnie i kasetowe

Zamek wierzchni posiada dwa najważniejsze wymiary. Są to rozstawy śrub mocujących i odległość środka wkładki/gałki od czoła zamka, które powinno być zamontowane równo z krawędzią drzwi. W LOB funkcjonują dwa standardy: 50mm i 60mm jeśli chodzi o zamki jedno zasuwowe.

W ofercie LOB są zarówno zamki wierzchnie standardowe, jak i atestowane.

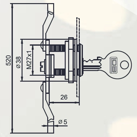
Zamki kasetowe

Zamki kasetowe przeznaczone są do różnego rodzaju kaset, mebli, szafek, pojemników itp. Kluczowym elementem jest tutaj średnica otworu przez który musimy założyć zamek i docisnąć go pierścieniem mocującym oraz długość zabieraka (rygla). Długość zabieraka (rygla) jest ważna gdyż to on blokuje drzwiczki/pokrywę i należy się upewnić czy jest miejsce aby swobodnie mógł on pracować.

Dostępne są jeszcze zamki z dodatkowym blokowaniem pionowym, z baskwilami/cięgnami. Zamki te przeznaczone są głównie do montowania na drzwiczkach w szafkach.

W ofercie LOB są dwa zamki kasetowe, które można zastosować w systemie Master Key - ZKT21 i baskwilowy ZKT31.

Producenci: