Kłódka mosiężna, zatrzaskowa (KD40/50/60)

Opis:

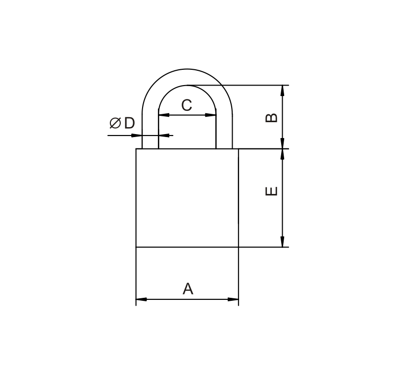
Kod kłódki       Wymiary (mm)                     
ABCDE
KD40402521,5633
KD50503127840
KD606036311042

Wykonanie korpusu kłódki z mosiądzu, wraz z zastosowaniem tego materiału w elementach konstrukcji mechanizmu bębęnka - sprężynek, kołeczków, daje gwarancję zwiększonej w stosunku do stali lub żeliwa żywotności kłódki wystawionej na działanie warunków atmosferycznych.

Kłódki z rodziny KD są kłódkami zatrzaskowymi - pozwalającymi na zamknięcie kłódki po wyjęciu klucza. Ta cecha odróżnia je od innych dostępnych w naszej ofercie kłódek mosiężnych KM, które są kłódkami zasuwkowymi.

Korpusy o wymiarze 40, 50 i 60 mm powstają w oparciu o grubszy, a więc solidniejszy niż w ofertach konkurencji profil. Pozwala to na zastosowanie w tych kłódkach bardziej solidnego bębenka z pięcioma kołeczkami. Dodatkowo kłódki te posiadają uszczelkę na pałąku ograniczającą dostęp wilgoci do mechnizmu.

Ze względu na użyty format zapisu zdjęć, kolory prezentowane na stronie mogą różnic się od oryginału. Publikacja ta nie stanowi oferty w rozumieniu prawa i ma jedynie charakter informacyjny.

Producenci: