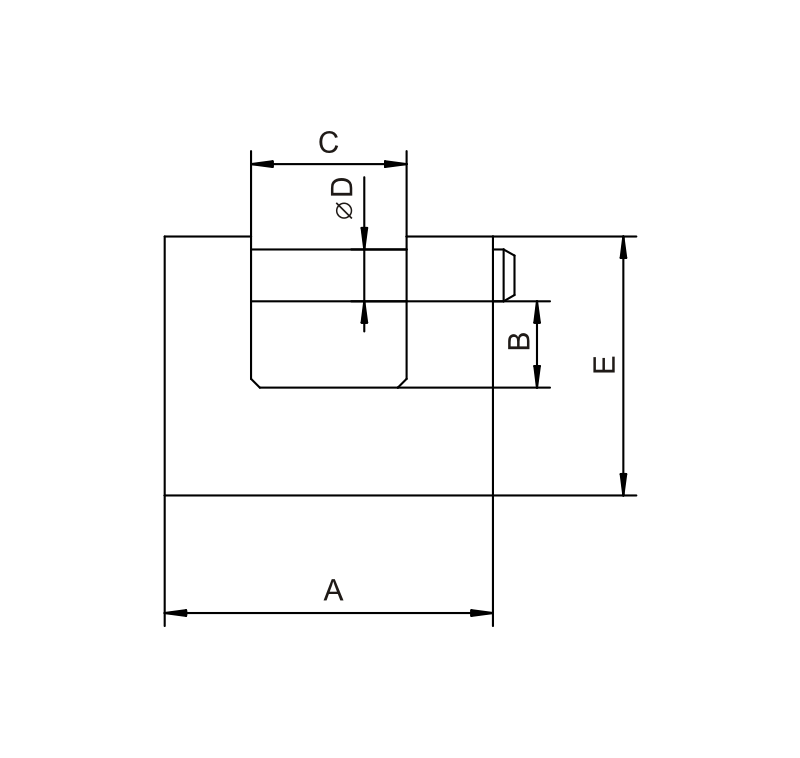
| Kod kłódki | Wymiary (mm) | ||||
| A | B | C | D | E | |
| TANTAL (KT10) | 83 | 16 | 26 | 12 | 72 |
Kłódka zasuwkowa trzpieniowa o symbolu KT10 to najmasywniejsza kłódka w ofecie LOB i jedna z nielicznych na polskim rynku, spełniająca bardzo surowe wymagania 5 klasy zabezpieczenia. Jednym z największych atutów tej kłódki jest zastosowanie klucza 6-nacięciowego.
Tantal posiada dodatkową osłonę z profilu stalowego oraz tarczkę
obrotową utrudniającą przekręcanie bębenka. Te cechy znacznie podnoszą poziom zabezpieczenia. Dostępna również kłódka Grom ze zwiększoną antykorozyjnością - dedykowana dla wojska.
















